全国900城市空降24小时服务_同城空降快餐群_个人接单上门服务_个人接单上门服务

 

新闻中心

通知公告

当前位置:首页?>?新闻中心?>?通知公告

宁夏回族自治区人民医院院本部、西夏分院、急救中心主要泵组及板换维修维保项目公开招标公开

发布时间:2018-10-30来源:

招 标 公 告


为满足我院工作需求,现对宁夏回族自治区人民医院院本部、西夏分院、急救中心主要泵组及板换维修维保项目进行院内招标,现邀请具备相关资质的企业前来报名参加。具体内容如下:

一、招标内容:

宁夏回族自治区人民医院院本部、西夏分院、急救中心主要泵组及板换维修维保项目(服务期:三年)(具体内容见附件)。

二、资质要求:

此项目的投标单位在投标时需提交以下资质文件及报价单各4份。(加盖单位公章):

(一)法定代表人授权书(原件)

(二)法人及被授权人身份证(复印件加盖单位公章,法定代表人直接投标可不提供,但须提供法定代表人身份证明);

(三)营业执照、税务登记证、组织机构代码证三证合一证件(复印件加盖单位公章)

(四)具有同类同规格及以上产品的维保业绩2例以上,


需现场提供相关维保合同或甲方开具的证明文件(复印件加盖单位公章,原件备查)。

三、评标方式:竞争性谈判。(资质审查合格的投标公司进入价格谈判,三轮报价后最终报价最低的投标公司,作为中标公司)

四、报名方式及开标时间:

项目联系人:卫老师     联系电话:18995094887

报名联系人:金老师      联系电话:0951-5920221

邮箱:[email protected]

报名时间:2018年10月26日-2018年11月2日

开标时间: 2018年11月2日上午8:30

开标地点:宁夏回族自治区人民医院行政楼三楼第二会议室(银川市金凤区正源北街301号行政楼3楼);开标地点如有变动另行通知。




宁夏回族自治区人民医院招标办公室

2018年10月26日             

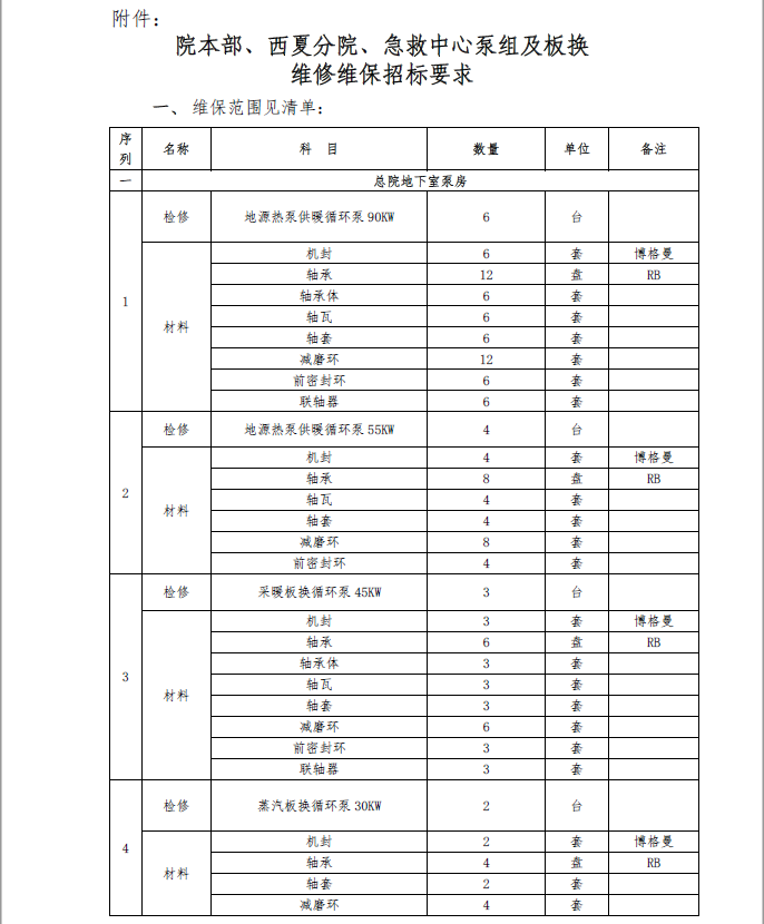
附件:

院本部、西夏分院、急救中心泵组及板换

维修维保招标要求

一、 维保范围见清单:

一、维修工作完成,经验收合格后进入维保期。每年维修过后的维保期为壹年。

二、维修工作结束后应当在工作结束后20天内形成完整的维修报告并附维修清单,报送与甲方后勤保障处相关负责人。如未按要求做到,扣款500元/次,并需按要求补交相关资料。

三、乙方需跟踪所有维修的水泵及板换系统问题,以确保所有问题均有解决方案。

1.当系统出现故障,导致甲方全部或部分业务不能正常进行时,乙方必须在收到甲方有效通知(包括但不限于报修电话或传真)时起1小时内到达现场,启动应急解决方案,恢复系统运行,并在响应后的1个工作日内找出问题的原因,避免发生类似事故。

2.当系统发生一般性故障,但甲方的业务尚能正常运转时,乙方必须在收到甲方有效通知(包括但不限于报修电话或传真)时起4个小时内到达现场,在响应后2个工作日内提出解决方案,并在双方配合下解决问题。

四、维保期内发生故障,乙方未及时对故障进行处理造成损失的,如非不可抗力所致,乙方应赔偿相应损失,并扣款1000元/次。


总院地址:宁夏银川市金凤区正源北街255号
西夏分院地址:宁夏银川怀远西路112号(银川市西夏区 区党校对面)
医疗急救中心地址:宁夏银川兴庆区解放西街429号

法律声明 | 友情链接 | 网站地图

备案号:宁ICP备16000124号 审核文号:宁卫网审[2015]第0012号

宁公网安备 64010602000729号

关闭

请扫码关注
官方服务号

请扫码下载

宁夏回族自治区人民医院
互联网医院