全国900城市空降24小时服务_同城空降快餐群_个人接单上门服务_个人接单上门服务

 

新闻中心

通知公告

当前位置:首页?>?新闻中心?>?通知公告

关于院本部南门岗喷泉线路维修及重新铺贴破损瓷砖项目的招标公告

发布时间:2018-10-31来源:

为满足我院工作需求,现对宁夏回族自治区人民医院院本部南门岗喷泉线路维修及重新铺贴破损瓷砖项目进行院内招标,现邀请具备相关资质的企业前来报名参加。具体内容如下:

一、 招标内容:

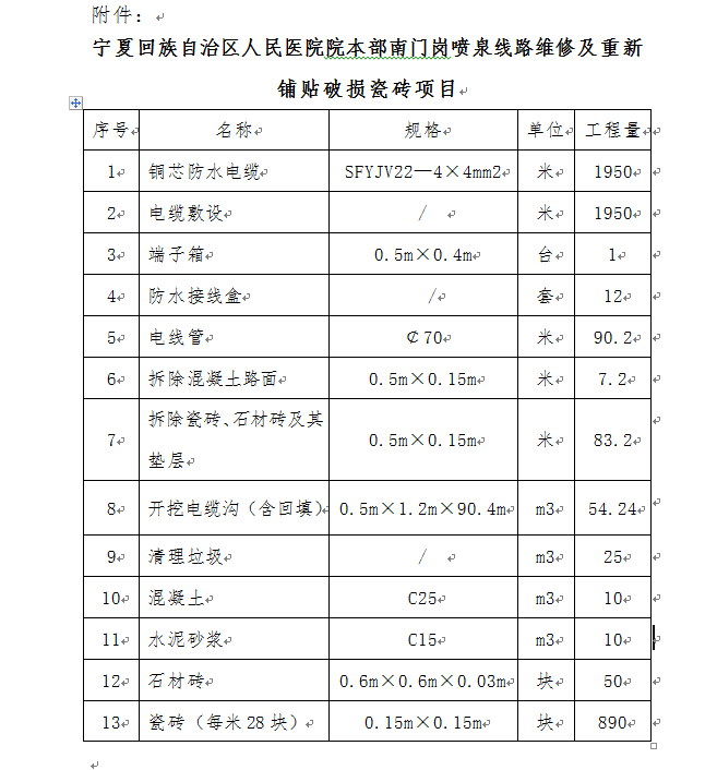
宁夏回族自治区人民医院院本部南门岗喷泉线路维修及重新铺贴破损瓷砖项目(具体内容见附件)。

二、资质要求:

此项目的投标单位在投标时需提交以下资质文件及报价单各4份。(加盖单位公章):

(一)法定代表人授权书(原件)

(二)法人及被授权人身份证(复印件加盖单位公章,法定代表人直接投标可不提供,但须提供法定代表人身份证明);

(三)营业执照、税务登记证、组织机构代码证三证合一证件(复印件加盖单位公章)

(四)具有承装(修、试)电力设施许可证四级及以上资质

(复印件加盖单位公章,原件备查)。

三、 评标方式:竞争性谈判。(资质审查合格的投标公司进入价格谈判,三轮报价后最终报价最低的投标公司,作为中标公司)

四、 报名方式及开标时间:

项目联系人:秦老师      联系电话:0951-5920184

报名联系人:金老师      联系电话:0951-5920221

邮箱:[email protected]

报名时间:20181031-2018116

开标时间: 2018117日上午8:30

开标地点:宁夏回族自治区人民医院行政楼三楼第二会议室(银川市金凤区正源北街301号行政楼3楼);开标地点如有变动另行通知。



宁夏回族自治区人民医院招标办公室

2018年1031日          






总院地址:宁夏银川市金凤区正源北街255号
西夏分院地址:宁夏银川怀远西路112号(银川市西夏区 区党校对面)
医疗急救中心地址:宁夏银川兴庆区解放西街429号

法律声明 | 友情链接 | 网站地图

备案号:宁ICP备16000124号 审核文号:宁卫网审[2015]第0012号

宁公网安备 64010602000729号

关闭

请扫码关注
官方服务号

请扫码下载

宁夏回族自治区人民医院
互联网医院